Refrigeration Plate Heat Exchanger with 1 C temperature approaching, Dismountable Insulation Jacket with Drip Tray also included.
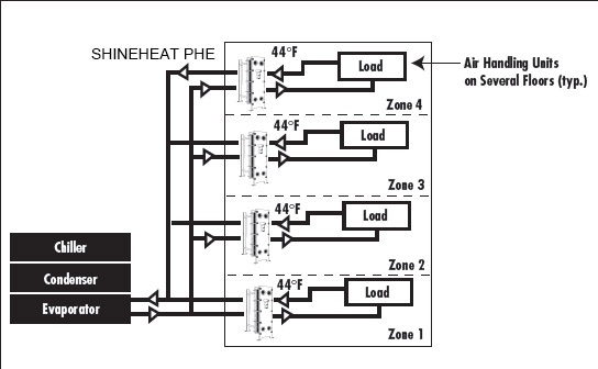
Plate Heat Exchanger application for “Head Isolation for Tall Buildings”
DETAIL
Refrigeration Plate Heat Exchanger with 1 oC temperature approaching, Dismountable Insulation Jacket with Drip Tray also included.

Application Data Sheet for Refrigeration Plate Heat Exchanger
Model : ATL60B/129/PN16/316L/NBR
Project: :
Item : Date : 2018/09/22
___________________________________________________________________________
Fluid Water Water
Mass flow rate kg/h 8651 8649
Fluid Condensed/Vapourized kg/h 0.000 0.000
Inlet temperature oC 15.5 5.5
Outlet temperature(vapor/liquid) oC 6.5 14.5
Operating pressure(In/Out) bara /
Pressure drop(Perm/Calc) kPa 50.0/6.09 50.0/6.10
Velocity Connection(In/Out) m/s 0.880/0.878 0.878/0.880
Heat exchanged kW 90.89
Heat transfer area m2 32.4
O.H.T.C clean conditions W/(m2*K) 2875
O.H.T.C service W/(m2*K) 2818
Additional Excess Surface % 2.0
Mean Temperature Difference K 1.0
Relative direction of the fluids Countercurrent
No. of plates 129
No. of effective plates 127
Number of passes 1 1
Extension capacity 41
This is Typical application for “Head Isolation for High Buildings”
In order to save the cost of high pressure fittings for High buildings and their associated static head, whole building could be divide into “Pressure Zones” that are isolated from the main chiller lines with Shineheat plate heat exchanger. The high efficient Shineheat plate heat exchanger will allow the building to be developed with each pressure zone in parallel with Chiller or with each successive zone in series.

Plate Pattern: Refrigeration Plate Series of ATL60B
Plate Material: 0.5mm SS316L,
Gasket Material: NBR



Application Data Sheet for Refrigeration Plate Heat Exchanger
Model : ATL60B/129/PN16/316L/NBR
Project: :
Item : Date : 2018/09/22
___________________________________________________________________________
Fluid Water Water
Mass flow rate kg/h 8651 8649
Fluid Condensed/Vapourized kg/h 0.000 0.000
Inlet temperature oC 15.5 5.5
Outlet temperature(vapor/liquid) oC 6.5 14.5
Operating pressure(In/Out) bara /
Pressure drop(Perm/Calc) kPa 50.0/6.09 50.0/6.10
Velocity Connection(In/Out) m/s 0.880/0.878 0.878/0.880
Heat exchanged kW 90.89
Heat transfer area m2 32.4
O.H.T.C clean conditions W/(m2*K) 2875
O.H.T.C service W/(m2*K) 2818
Additional Excess Surface % 2.0
Mean Temperature Difference K 1.0
Relative direction of the fluids Countercurrent
No. of plates 129
No. of effective plates 127
Number of passes 1 1
Extension capacity 41
This is Typical application for “Head Isolation for High Buildings”
In order to save the cost of high pressure fittings for High buildings and their associated static head, whole building could be divide into “Pressure Zones” that are isolated from the main chiller lines with Shineheat plate heat exchanger. The high efficient Shineheat plate heat exchanger will allow the building to be developed with each pressure zone in parallel with Chiller or with each successive zone in series.

Plate Pattern: Refrigeration Plate Series of ATL60B
Plate Material: 0.5mm SS316L,
Gasket Material: NBR

More Detail Photos for Insulation Jacket





