Duplex Steel Spiral Heat Exchanger apply for VCM condenser
VCM Condenser-Shineheat Sprial Plate Heat Exchanger
DETAIL
Duplex Steel Spiral Heat Exchanger apply for VCM condenser
The Job Description:
The spiral plate heat exchanger will carry out “VCM” Vapor and non-condensate gas, 100% condensate into “VCM” liquid, and non-condensate gas will separately remove of VCM. Actually, this spiral plate heat exchanger works as a condenser.

The original spiral plate heat exchanger is provided by Alfa Laval, will finish its duty after 5 years operation. Would “SHINEHEAT” carry out this duty in satisfactory way?
“VCM” is poisonous and flammable vapor, also contains high concentration of “Chlorine”. It is tough Job by all suppliers.
By PED 2014/68/EU certified Qualifications, with Top Level quality control and experienced welders’ team. SHINEHEAT achieved this project by providing Duplex Steel spiral plate heat exchanger.
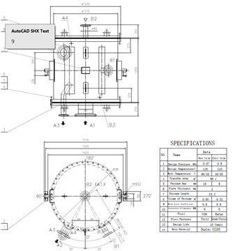
Application Data Sheet

The key process of spiral plate heat exchanger fabrication is Duplex Steel 2205
welding. Compared with SS316 or SS304, it is more challenge for welders and quality control’s people.
First of all, the Duplex Steel material supplier should be strictly selected. We selected OUTOKUMPU as vendor for all DS2205 raw material supply.

Secondly, we selected Welders which obtains ISO 9606-1 Welder Qualification Test Certificate.

Third, the manufacture size should be exactly same as existing unit, the size deviation should less than 2mm.
The Construction drawing

Fourth, High standard coating and painting procedure.
Each layer painting should be strictly inspected as to the specifications

Finally delivery to site and commissioning running is very successfully.
Now this Spiral plate heat exchanger keep working for Six month with good performance. This project reflects outstanding quality control capacity of SHINEHEAT team.
Congratulation!

The Job Description:
The spiral plate heat exchanger will carry out “VCM” Vapor and non-condensate gas, 100% condensate into “VCM” liquid, and non-condensate gas will separately remove of VCM. Actually, this spiral plate heat exchanger works as a condenser.

The original spiral plate heat exchanger is provided by Alfa Laval, will finish its duty after 5 years operation. Would “SHINEHEAT” carry out this duty in satisfactory way?
“VCM” is poisonous and flammable vapor, also contains high concentration of “Chlorine”. It is tough Job by all suppliers.
By PED 2014/68/EU certified Qualifications, with Top Level quality control and experienced welders’ team. SHINEHEAT achieved this project by providing Duplex Steel spiral plate heat exchanger.
Application Data Sheet

The key process of spiral plate heat exchanger fabrication is Duplex Steel 2205
welding. Compared with SS316 or SS304, it is more challenge for welders and quality control’s people.
First of all, the Duplex Steel material supplier should be strictly selected. We selected OUTOKUMPU as vendor for all DS2205 raw material supply.

Secondly, we selected Welders which obtains ISO 9606-1 Welder Qualification Test Certificate.

Third, the manufacture size should be exactly same as existing unit, the size deviation should less than 2mm.
The Construction drawing

Fourth, High standard coating and painting procedure.
Each layer painting should be strictly inspected as to the specifications

Finally delivery to site and commissioning running is very successfully.
Now this Spiral plate heat exchanger keep working for Six month with good performance. This project reflects outstanding quality control capacity of SHINEHEAT team.
Congratulation!




